Maximize - Remove this product from my favorite's list.
- Add this product to my list of favorites.
- Send to a friend
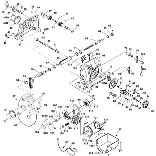
Part 124 Headstock Electric Motor sheave spacer
Part 124 Headstock Electric motor sheave spacer
IF THE ITEM IS PRICED THERE IS USUALLY STOCK AVAILABLE
All specialist parts orders have an admin fee in addition to the parts price
You are encouraged to phone for assistance in order to get the right part.
Please use the link under CONTACT US


















































